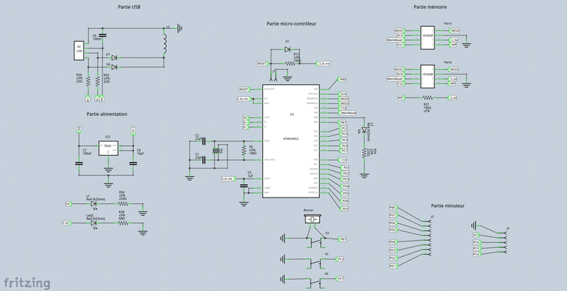
Fichier:Sch cle final binome 10.png
De Wiki de bureau d'études PeiP
Révision datée du 15 avril 2021 à 15:35 par Egodard (discussion | contributions)
Taille de cet aperçu : 800 × 411 pixels. Autres résolutions : 320 × 165 pixels | 1 513 × 778 pixels.
Fichier d'origine (1 513 × 778 pixels, taille du fichier : 312 Kio, type MIME : image/png)
Historique du fichier
Cliquer sur une date et heure pour voir le fichier tel qu'il était à ce moment-là.
| Date et heure | Vignette | Dimensions | Utilisateur | Commentaire | |
|---|---|---|---|---|---|
| actuel | 15 avril 2021 à 15:35 | 1 513 × 778 (312 Kio) | Egodard (discussion | contributions) |
- Vous ne pouvez pas remplacer ce fichier.
Utilisation du fichier
La page suivante utilise ce fichier :