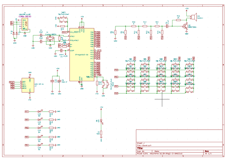
Fichier:Screenkicad.png
De Wiki de bureau d'études PeiP
Révision datée du 4 mai 2023 à 17:13 par Fdasilva (discussion | contributions)
Taille de cet aperçu : 800 × 558 pixels. Autres résolutions : 320 × 223 pixels | 1 230 × 858 pixels.
Fichier d'origine (1 230 × 858 pixels, taille du fichier : 34 Kio, type MIME : image/png)
Historique du fichier
Cliquer sur une date et heure pour voir le fichier tel qu'il était à ce moment-là.
| Date et heure | Vignette | Dimensions | Utilisateur | Commentaire | |
|---|---|---|---|---|---|
| actuel | 4 mai 2023 à 17:13 | 1 230 × 858 (34 Kio) | Fdasilva (discussion | contributions) |
- Vous ne pouvez pas remplacer ce fichier.
Utilisation du fichier
La page suivante utilise ce fichier :